THERMOSLEEVE: NEUROMUSCULAR DISORDER THERAPY

Team Members: Alexander Diab-Liu, Mihnea Balan, Emeline Bespalov, Abigail Benyair


1 / 10




Thermosleeve Slide Deck Cover Page
2 / 10




The design’s main purpose is to react to ongoing or incoming hand tremors. This was achieved through two EMG MyoWare muscle sensors and their corresponding electrodes, which detects the filtered electric potential of the muscle and outputs a value in volts.
3 / 10




Our design consists of a glove and compressive sleeve (attached separately for easy assembly), with electrical heating elements installed throughout it, transmitted through wires.
4 / 10




These sensors are used to identify when the user is experiencing a tremor/spasm and has been equipped to record the time and severity of said spasm as well as lessen the symptoms through a heating function.
5 / 10




The device is coded to be able to display the severity of the tremor/spasm in real time through green, yellow, and red LEDs, and this information is then stored into files for future medical reference either by the user or their physician.
6 / 10




In terms of storage, the device can be stored inside of a housing unit that can be mounted to different heights of shelves/tables using a clamp.
7 / 10




The Raspberry Pi 4, breadboard, and T-cobbler are stored in a compartment at the top that is covered by a lid, while the sleeve/glove itself can be hung on two pegs at the front for easy access.
8 / 10




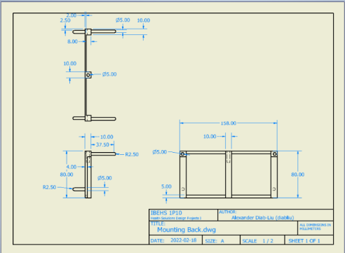
Engineering Drawing Example 1
9 / 10




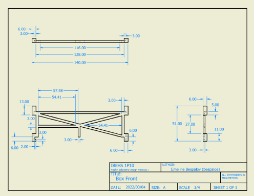
Engineering Drawing Example 2
10 / 10




Engineering Drawing Example 3


Summary


Thermosleeve is marketed as an all-inclusive wearable device that monitors and alleviates symptoms of neuromuscular disorders through its heating function and symptom predictive features.

This device should help the user achieve more transparency, clarity, and autonomy regarding their disability and medical care, thereby improving their quality of life.


Case Study


Neuromuscular disorders are among the most common medical disabilities worldwide, affecting over 14,000,000 people. One of the most indicative symptoms of neuromuscular disorders is tremors in the hand or arm, which can make many daily activities more challenging and even dangerous. Neurodegenerative disorders such as multiple sclerosis can involve agonizing muscle spasms that worsen as the condition progresses. Patients with neuromuscular disorders must adjust to physical limitations as well as indirect psychological factors caused by their condition. Essentially, the main problems associated with neuromuscular disorders are pain, symptom management, and quality of life.





Additional Documentation: